Описание
Улучшенная версия популярного профиля серии MIC. Обновленная конструкция профиля и новые заглушки позволяют резать экран и профиль одной длины.
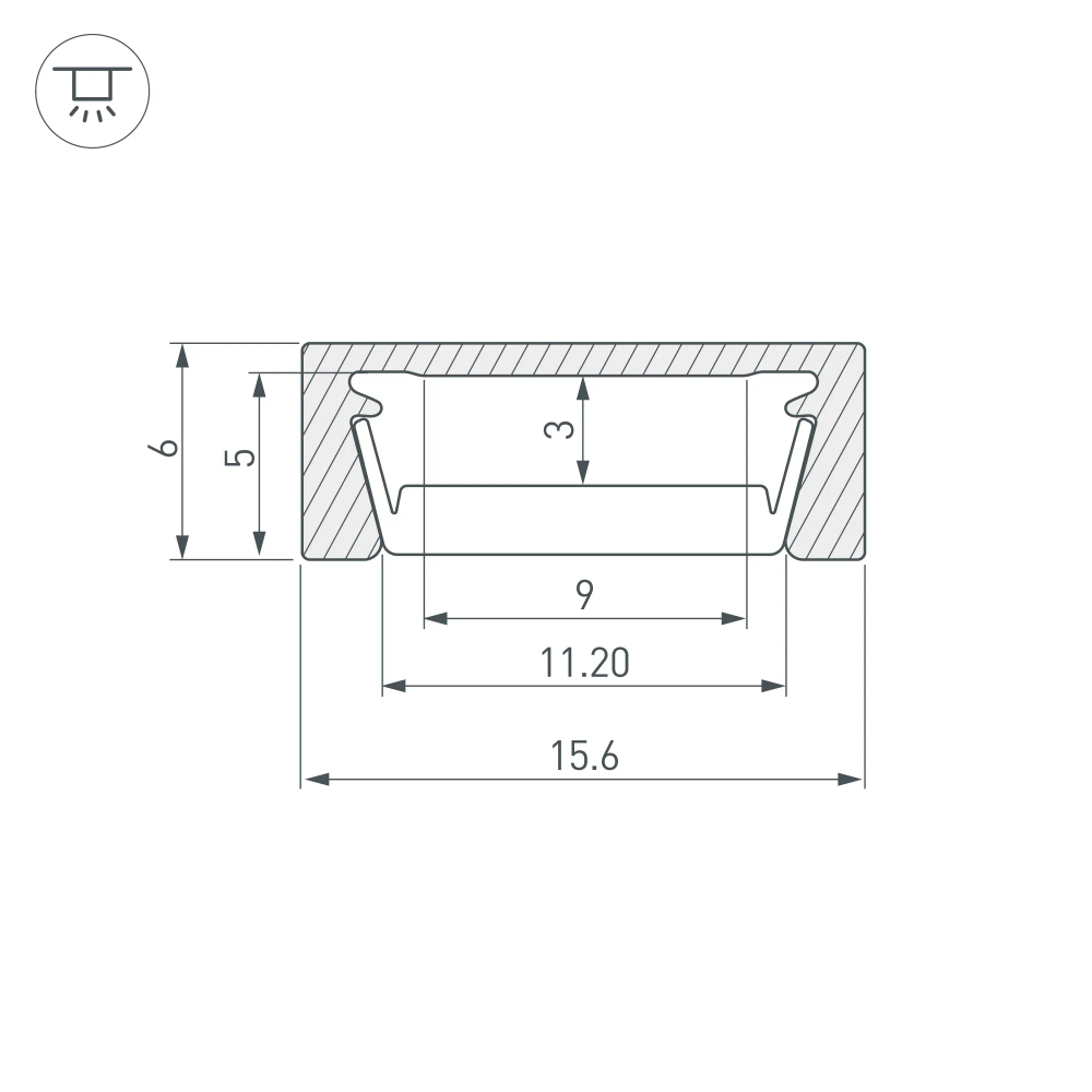
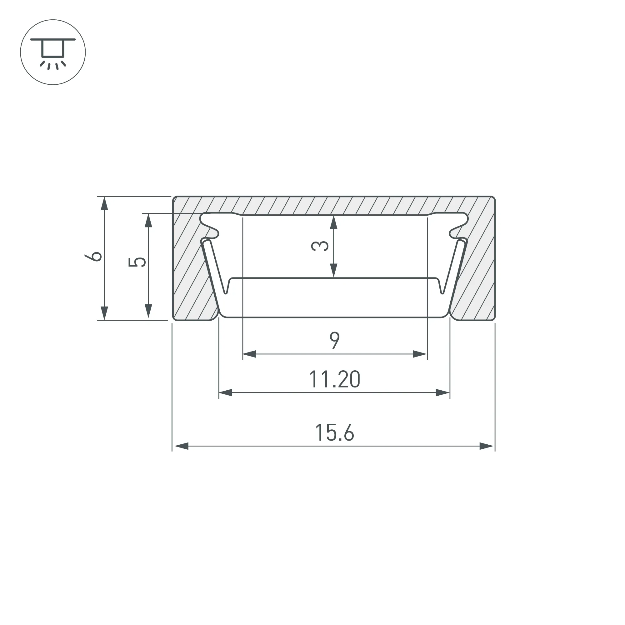
Накладной алюминиевый профиль белого цвета для подсветки мебели, пазов, ниш и других элементов интерьера. Габаритные размеры профиля составляют 2000 мм в длину, 15.6 мм в ширину и 6 мм в высоту. Площадка для установки светодиодных лент позволяет использовать ленту шириной до 11,2 мм и мощностью до 15 Вт/м. Это обеспечивает гибкость в выборе светодиодных лент и создает потрясающие световые решения.
Экраны, заглушки и другие аксессуары не включены в комплект и приобретаются отдельно. Цена указана за 1 метр профиля.
Отличное решение для создания современных световых проектов.
Алюминиевый профиль для светодиодных лент и линеек. Цвет - белый RAL9010 (порошковая окраска). Габаритные размеры (L×W×H): 2000x15.6x6 мм. Ширина площадки для ленты 11,2 мм. Экраны, заглушки и другие аксессуары приобретаются отдельно. Цена за 1 метр.
Характеристики
Тип товара
Профиль
Бренд
Arlight
Назначение
Для контурной подсветки
Способ монтажа
Накладной
Модельный ряд
MIC
Материал корпуса
Алюминий
Гарантийный срок
2 год(а)
Индивидуальная покраска
Не выполняется
Форма (сечение)
Прямоугольный
Высота
6 мм
Длина
2000 мм
Ширина
15.6 мм
Цвет покрытия
Белый
Внешний вид поверхности
Глянцевая
Покрытие поверхности
Порошковая окраска
Кратность цены за 1 м/шт
1
Рассеиваемая тепловая мощность на 1м
max: 15 W
Ширина площадки
11.2 мм
КПД профиля (cветовой)
96 %
Ширина световой линии
11 мм
Глубина установки источника света
4 мм
Артикул
044543
