Описание
Встраиваемый гибкий алюминиевый профиль черного цвета для светодиодных лент и линеек под строительную отделку для создания эффекта парящей стены. Не является плинтусом, используется как декоративная накладка на фальш-стены. Минимальный радиус горизонтального изгиба (вправо/влево) 30 см.
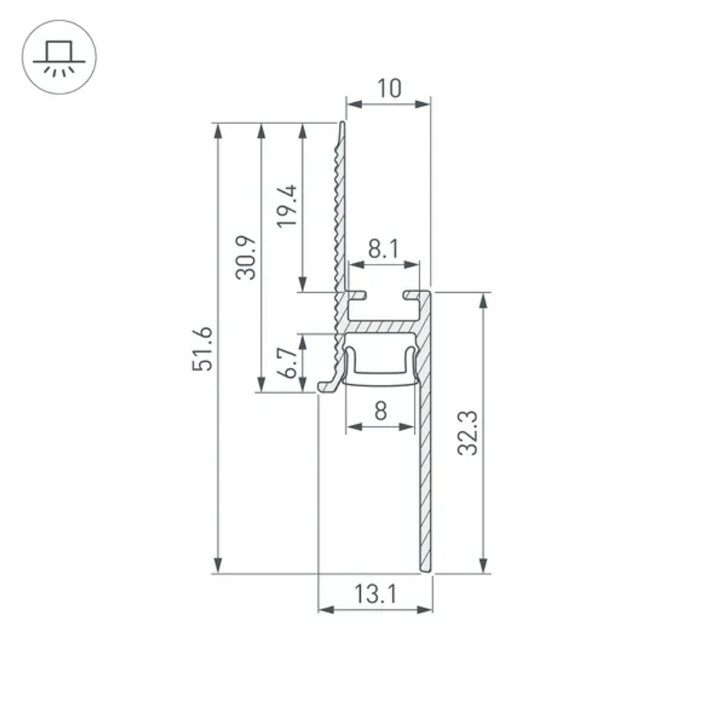
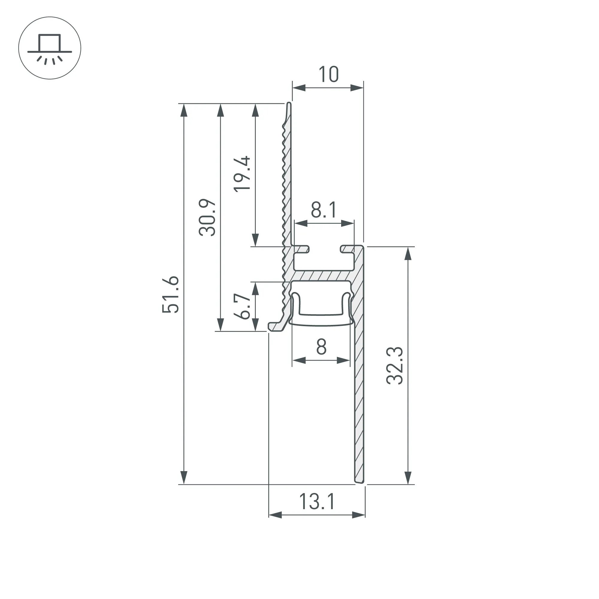
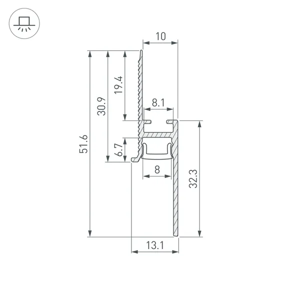
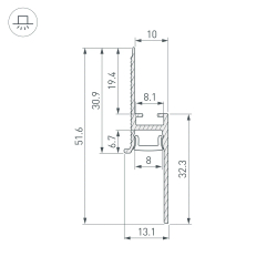
Габаритные размеры профиля составляют 2000 мм в длину, 13,1 мм в ширину и 51,6 мм в высоту. Площадка для установки светодиодных лент позволяет использовать ленту шириной до 8 мм и мощностью до 22 Вт/м. Рекомендуется использовать с гибкой светодиодной лентой серии RZ.
Экран, заглушки и другие аксессуары не включены в комплект и приобретаются отдельно. Цена указана за 1 метр профиля.
Отличное решение для создания современных световых проектов.
Алюминиевый встраиваемый гибкий профиль для светодиодных лент и линеек. Изгиб вправо/влево. Цвет - черный RAL9005 (порошковая окраска). Габаритные размеры (L×W×H): 2000x13.1x51,6 мм. Ширина площадки для ленты 8 мм. Экраны, заглушки и другие аксессуары приобретаются отдельно. Цена за 1 метр.
Характеристики
Тип товара
Профиль
Бренд
Arlight
Назначение
Для плинтуса
Способ монтажа
Встраиваемый со скрытым фланцем
Модельный ряд
FANTOM-BENT
Материал корпуса
Алюминий
Гарантийный срок
3 год(а)
Индивидуальная покраска
Возможна
Форма (сечение)
Фигурный
Высота
51.6 мм
Длина
2000 мм
Ширина
13.1 мм
Цвет покрытия
Чёрный
Особенность
Гибкий
Внешний вид поверхности
Матовая
Покрытие поверхности
Порошковая окраска
Кратность цены за 1 м/шт
1
Рассеиваемая тепловая мощность на 1м
max: 22 W
Направление изгиба
Side (поперёк оптической оси)
Ширина площадки
8 мм
КПД профиля (cветовой)
52 %
Ширина световой линии
8 мм
Глубина установки источника света
6.7 мм
Артикул
043673(1)
